w210 200cdi-00 ei lataa,taas
w210 200cdi-00 ei lataa,taas
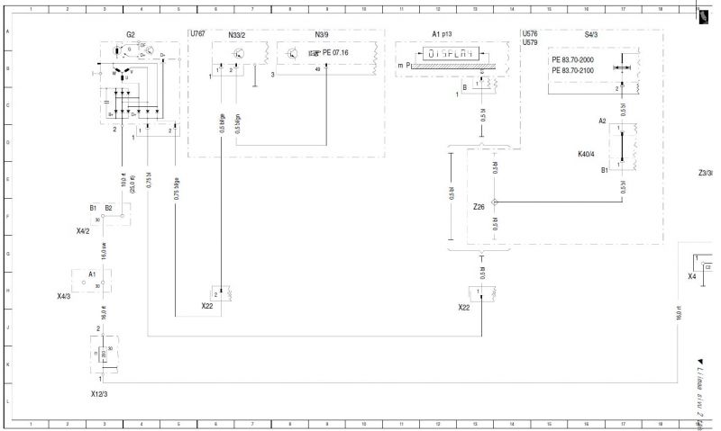
eli taas heitti paskaläjä lataamasta,ensin valitti ylijännitettä,kaikki piuhat käyty läpi,ja aika paljo muutaki ja 3 eri laturia ollu,onko näisä josaki ulkopuolinen jännitteensääjin? ja laturi on 150ah vesijäähytteinen.Alakaa muute olemaan hermo meleko pinnasa!
Ostimpa jontulta tän väyrysen pois, eli onko näissä joku ulkopuolinen jännitteensääjin, laturisa ei ainakaan näy sääjintä? mistäköhän se kertoo, että kun laittaa akkuun miinuskaapelin kiinni niin räpsii aika palio, vai onko sillä vaikutusta mihinkään? Huomenna ois tarkotus ruveta käymään johtoja läpi että jos joku on jostain rikki tms.
- Meissenkeri
- Viestit: 3838
- Liittynyt: 15.8.2006 2:10
- Paikkakunta: pohjolan pääkaupunki
- Meissenkeri
- Viestit: 3838
- Liittynyt: 15.8.2006 2:10
- Paikkakunta: pohjolan pääkaupunki
Kyllähän toi mun katiska lataa aina hetken ku vaihtaa laturin. Pari käytettyä on toiminu kuukauden tai alle ja tehdaskunnostettu toimis reilun kuukauden ja sit alkoi järjetön ylilataus (19v) jonka jälkeen lataus loppui kokonaan. Nyt keulilla yksi vanhoista latureista mihin vaihdoin säätimen ja se lataa kyllä mut mittaristo silti punaisena. Erikoista on sekin kun ottaa ohjausjohdot irti laturista irti ni se lataa silti... Säädin on joku motonetin kiinan paska mut kuitenkin. Tämän hetkinen latausjännite vaihtelee 13.8-14.7 ja valot vilkkuu yms. Varaosa autossa olisi 190A delphiläinen.... Liittimet sopii ja saa sen sinne koneen kylkeen kyl kiinnikin mutta toimiiko se siellä? Rupee olee hermo ja rahat loppu ku on saanu ostaa tonnilla latureita! Autosähkö korjaamossa sanottiin et ne bossin vesilaturit on ihan romuja ja kalliita korjatakkin
Jos tarviit lisää käytettyjä, niin tääl ois yks 150 A malli jouten.
Levannon We(l)ho
------------------
Unimog 421 -70
W 108 280 SE -70
Unimog 416 DoKa -75
W 124 300 D -86 iceuseonly
Unimog U1700L -86
W 463 250 GDT -91
W 124 300 E 24V CE Cabr -93
Atego -00
W 218 250 CDI -15
W 213 e 220 d All Terrain -17
------------------
Unimog 421 -70
W 108 280 SE -70
Unimog 416 DoKa -75
W 124 300 D -86 iceuseonly
Unimog U1700L -86
W 463 250 GDT -91
W 124 300 E 24V CE Cabr -93
Atego -00
W 218 250 CDI -15
W 213 e 220 d All Terrain -17


